族谱网 头条 人物百科

混频器

2017-10-16
出处:族谱网
作者:阿族小谱
浏览:1067
转发:0
评论:0
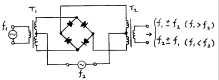
类型混频器的本质特性是它在输出信号中产生一个两路输入信号的乘积的分量。具有非线性(如指数)特性的器件可以用作混频器。无源混频器使用一个或多个二极管,并依赖于电压和电流之间的非线性关系,以提供乘法元件。在无源混频器中,所需的输出信号的功率总是比输入信号低。有源混频器使用放大器件(如晶体管或真空管)来增加输出信号的强度。有源混频器提高了端口之间的隔离度,但可能会增大噪声和功耗。有源混频器对过载的耐受性较差。混频器可以做成分立元件,也可以是集成电路的一部分,也可以作为混合模块提供。双平衡无源二极管混频器(也称环形调制器(英语:ringmodulator))的原理图。尽管f2(但非f1)可以是直流,但除非f1与f2输入同时存在,否则不会有输出。混频器也可按其拓扑分类:非平衡混频器,产生乘积信号的同时会允许两个输入信号通过并作为输出的成分存在。单平衡混频器会将其中一个输入加到平衡(差分)电路中,以使...

类型

混频器的本质特性是它在输出信号中产生一个两路输入信号的乘积的分量。具有非线性(如指数)特性的器件可以用作混频器。无源混频器使用一个或多个二极管,并依赖于电压和电流之间的非线性关系,以提供乘法元件。在无源混频器中,所需的输出信号的功率总是比输入信号低。

有源混频器使用放大器件(如晶体管或真空管)来增加输出信号的强度。有源混频器提高了端口之间的隔离度,但可能会增大噪声和功耗。有源混频器对过载的耐受性较差。

混频器可以做成分立元件,也可以是集成电路的一部分,也可以作为混合模块提供。

混频器

  双平衡无源二极管混频器(也称环形调制器(英语:ring modulator))的原理图。尽管f2(但非f1)可以是直流,但除非f1与f2输入同时存在,否则不会有输出。

混频器也可按其拓扑分类:

非平衡混频器,产生乘积信号的同时会允许两个输入信号通过并作为输出的成分存在。

单平衡混频器会将其中一个输入加到平衡(差分)电路中,以使本机振荡器(LO)或信号输入(RF)施加在输入上,但并不是两个输入都有。

双平衡混频器将两个输入都加在了差分电路中,于是两个输入信号都不会出现,只有乘积信号会出现在输出中。 双平衡混频器相对于非平衡与单平衡混频器更加复杂,驱动电平也更高。

对一个特定应用来说选取混频器的类型是一个权衡的过程。

混频器电路具有变频增益(或损耗)和噪声系数(英语:noise figure)等特性。

用作混频器的非线性电子元件包括二极管、晶体管近截止偏置,在低频下有模拟乘法器。充到饱和的磁芯电感也被使用。在非线性光学中,具有非线性特性的晶体用于混合两种频率的激光用于产生光外差(英语:Optical heterodyne detection)。

二极管

二极管可以用来制作简单的不平衡混频器。这种类型的混频器产生的信号会包含原始频率以及它们的和与差。二极管的显着特性是它的非线性(或非欧姆行为),这意味着它的响应(电流)不与其输入(电压)成正比。因此二极管不会再生流过它的电流的驱动电压的频率,这就可以控制所需频率。 通过理想二极管的电流 I 作为电压 V 的函数为

其中 V 以 e 指数出现是很重要的。指数函数的泰勒级数为

对于较小的 x(即电压较小)可以通过这个级数的前几项来估计:

假设两个输入信号之和 v 1 + v 2 {\displaystyle v_{1}+v_{2}} 加在一个二极管上,产生的输出电压与流过二极管(可能是通过提供加在与二极管串联的电阻器两端的电压)成正比。然后,忽略二极管方程中的常量,输出电压的形式就会为

正如预期的那样,右边的第一项是原始的两个信号,接着是二者之和的平方,写作 ( v 1 + v 2 ) 2 = v 1 2 + 2 v 1 v 2 + v 2 2 {\displaystyle (v_{1}+v_{2})^{2}=v_{1}^{2}+2v_{1}v_{2}+v_{2}^{2}} ,其中乘积信号是很明显的。省略号表示所有二者和的更高次幂,对于小信号来说我们认为可以忽略。

假设两个不同频率的正弦输入信号输入到该二极管,使得 v 1 = sin ⁡ ⁡ --> a t {\displaystyle v_{1}=\sin at} , v 2 = sin ⁡ ⁡ --> b t {\displaystyle v_{2}=\sin bt} 。信号 V 0 {\displaystyle V_{0}} 就会为:

展开平方项就会得到:

将除了 sin ⁡ ⁡ --> a t sin ⁡ ⁡ --> b t {\displaystyle \sin at\sin bt} 之外的项都忽略并运用积化和差恒等式

得到,

说明了混频器是如何产生新频率的。


免责声明:以上内容版权归原作者所有,如有侵犯您的原创版权请告知,我们将尽快删除相关内容。感谢每一位辛勤著写的作者,感谢每一位的分享。

文章来源:内容词条
——— 没有了 ———
编辑:阿族小谱

更多文章

更多精彩文章
评论 {{commentTotal}} 文明上网理性发言,请遵守《新闻评论服务协议》
游客
发表评论
  • {{item.userName}} 举报

    {{item.content}}

    {{item.time}} {{item.replyListShow ? '收起' : '展开'}}评论 {{curReplyId == item.id ? '取消回复' : '回复'}}

    回复评论
加载更多评论
打赏作者
“感谢您的打赏,我会更努力的创作”
— 请选择您要打赏的金额 —
{{item.label}}
{{item.label}}
打赏成功!
“感谢您的打赏,我会更努力的创作”
返回
打赏
私信

推荐阅读

关于我们

关注族谱网 微信公众号,每日及时查看相关推荐,订阅互动等。

APP下载

下载族谱APP 微信公众号,每日及时查看
扫一扫添加客服微信